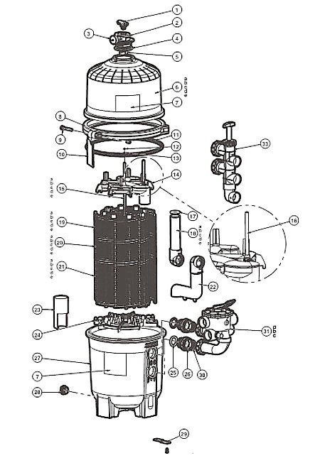
PRO GRID

Désignation
Référence
Prix
N°2 - Joint soupape décompression
0701070602
19,75 €