Accueil
Outillage Pro
Fournitures
Partenaires
Contact
RETOUR ACCUEIL
Pièces détachées
Accueil
Outillage Pro
Fournitures
BALNEO
Bloc et Kit filtration
Cartouches / Poches
Chauffage
Coffret
Equipement exterieur
Filtres
Filtre à cartouche
Diatomée
Sable
Nettoyage
Pièces à sceller
Pompes
Traitement
Vannes
MON PANIER
Panier vide
...
MON COMPTE
S'identifier
>
Accueil
>
Filtres
>
Sable
>
PENTAIR
> TRITON ANCIEN MODELE
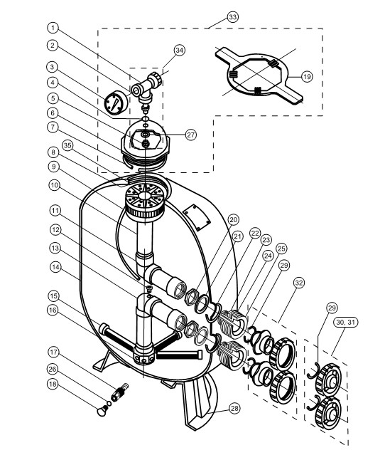
TRITON ANCIEN MODELE
Désignation
Référence
Prix
N°1 - Purgeur d'air
0703160201
43,24 €
N°7 - Joint couvercle filtre 6
0703160207
11,95 €
N°6 - Couvercle filtre 6 opaque filetage triangulaire
0703160206
100,90 €
N°6 - Couvercle filtre 6 opaque filetage trapéze
07031602A6
128,46 €