Accueil
Outillage Pro
Fournitures
Partenaires
Contact
RETOUR ACCUEIL
Pièces détachées
Accueil
Outillage Pro
Fournitures
BALNEO
Bloc et Kit filtration
Cartouches / Poches
Chauffage
Coffret
Equipement exterieur
Filtres
Nettoyage
Balai manuel
Balai automatique
Robot
Pièces à sceller
Pompes
Traitement
Vannes
MON PANIER
Panier vide
...
MON COMPTE
S'identifier
>
Accueil
>
Nettoyage
>
Balai automatique
>
POLARIS
> Nettoyage_balai_automatique_polaris360
BALAI AUTOMATIQUE POLARIS 360
Désignation
Référence
Prix
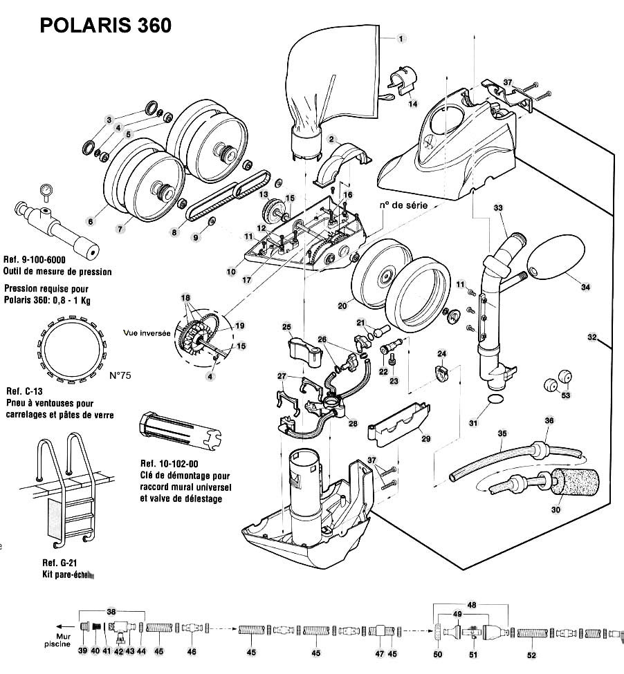
N°7 - Grande roue côté jumelle
0802180407
21,05 €
N°15 - Poulie et entraînement arbre Polaris 360 - 380
0802180415
49,72 €
N°20 - Grande roue côté unique
0802180420
17,84 €