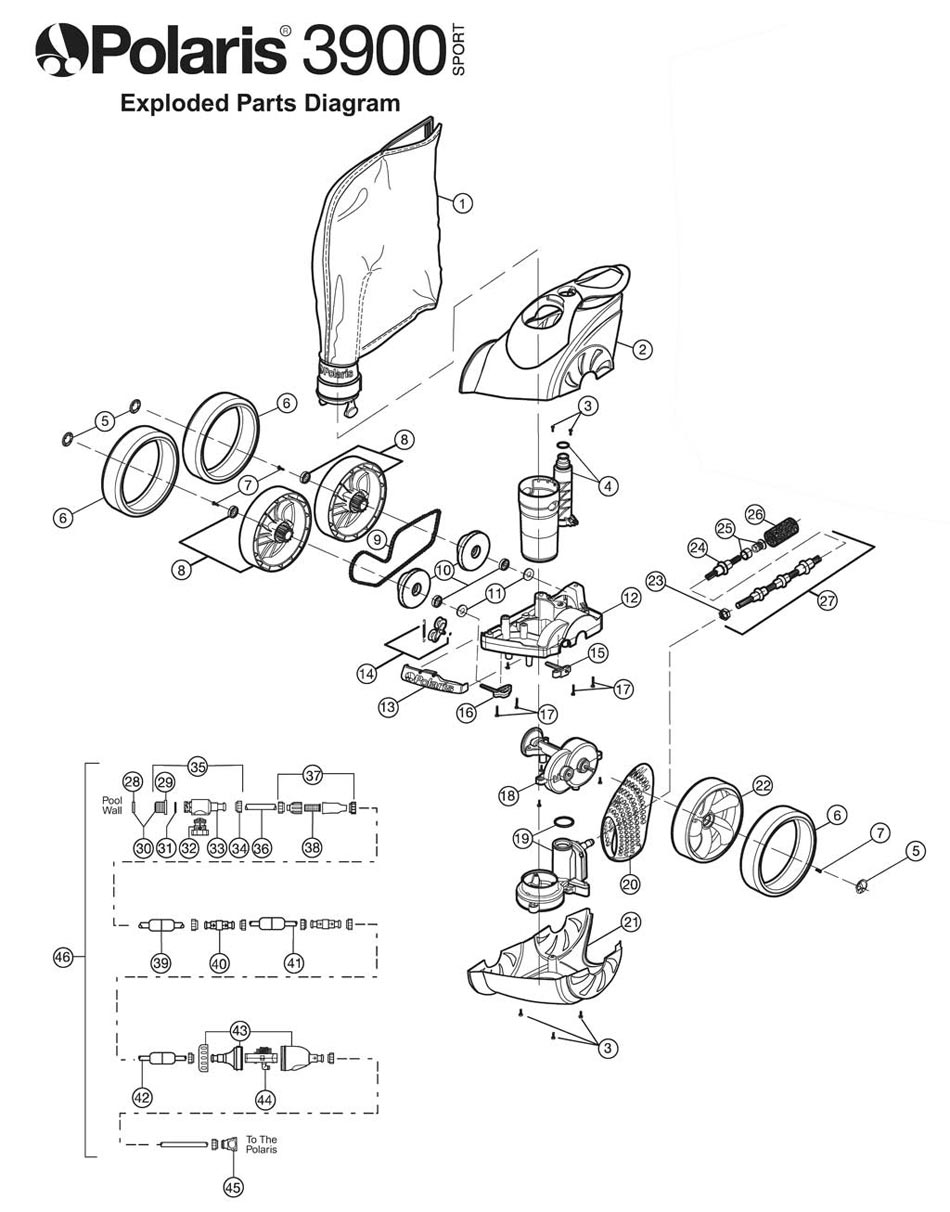
polaris 3900s

Désignation
Référence
Prix

N°21 - Carter inférieur Polaris 3900S
0802180621
187,22 €

N°26 - Brosse de balayage
0802180205
5,75 €