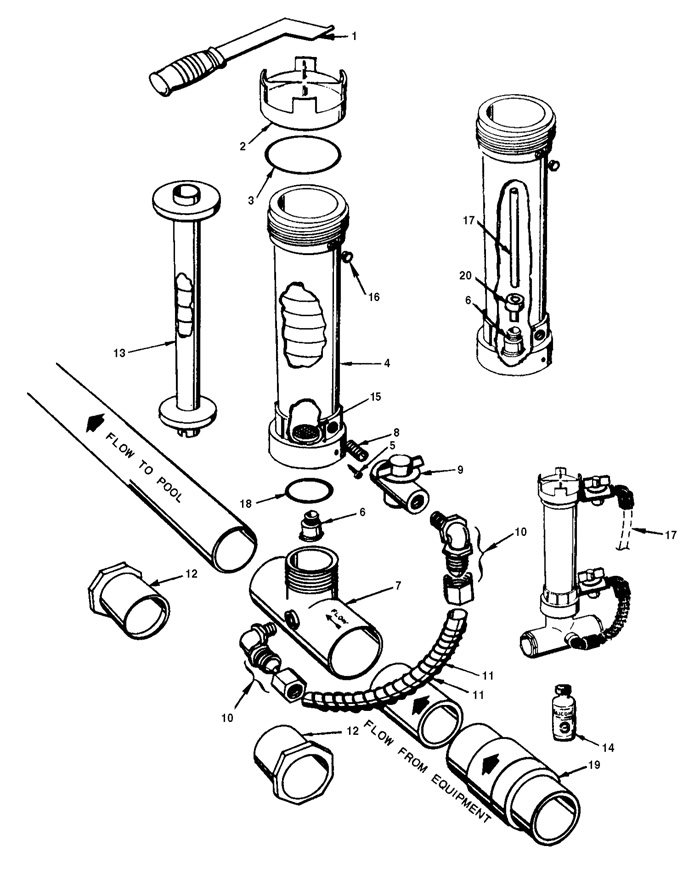
DOSEUR RAINBOW MODEL 320C

Désignation
Référence
Prix

N°9 - Vanne de réglage 1/2
1101160209
15,12 €